设为首页 | 收藏本站 | 网站导航 | 内网系统 | 法律声明 | English
网站首页 公司介绍 新闻报导 产品介绍 订货说明 资质荣誉 资料下载 招聘合作 联系我们
当前位置:产品介绍 >> 产品规格 >> 氟塑料衬里阀门 >> 氟塑料衬里球阀
相关栏目
产品简介
产品检索
产品规格
产品规格
氟塑料衬里管道
氟塑料衬里设备容器和内件
氟塑料软管、补偿器
氟塑料垫片、密封
氟塑料衬里泵
氟塑料衬里阀门
氟塑料洁净产品
氟塑料非标和相关产品
其它材料管道、设备、阀门
加热器
产品规格 返回>>
一、产品图样
手动球阀 电动球阀
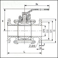
二、结构简图
Q41F46型手动球阀(直通二片式) Q41F46型手动球阀(直通三片式)
三、基本型号
手动 Q41F46 Q41F2 Q41PFA 气动 Q641F46 Q641F2 Q641PFA
蜗轮传动 Q341F46 Q341F2 Q341PFA 电动 Q941F46 Q941F2 Q941PFA

温州赵氟隆有限公司 版权所有       浙ICP备12044633号
电话:0577-86130500        传真:0577-86130501
邮箱
info@zhaoflon.com (国内业务)        biz@zhaoflon.com (国际业务)
地址:浙江省温州市瓯海三溪工业园康宏西路21号     邮编:325016      网址:http://www.zhaoflon.com.cn