Set as first page | Save our page | Nevigation | Internal | Law | 简体中文
HOME INTRODUCTION NEWS PRODUCTS ORDER HONOURS DOWNLOAD COOPERATION CONTACT US
Your Location:Products >> Specification >> Fluoroplastic lined valves >> Fluoroplastic lined ball valves
Related column
Brief introduction
Products Index
Specification
Specification
Fluoroplastic lined pipes
Fluoroplastic lined equipments and inner fitting
Fluoroplastic hose, compensator
Fluoroplstic gaskets,sealings
Fluoroplastic lined pumps
Fluoroplastic lined valves
Cleaning class products
Nonstandard and related products
Other material pipes, equipments, valves
SPECIFICATION
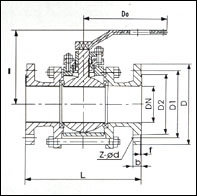
1、Product drawing
Hand movement Motor driven
2、Structure illustration
Q41F46 hand mov.ball valve
Q41F46hand mov.ball valve
(straight in three pieces)
3、Basic models
Hand mov. Q41F46 Q41F2 Q41PFA Pneumatic Q641F46 Q641F2 Q641PFA
Worm gear Q341F46 Q341F2 Q341PFA Motor dri. Q941F46 Q941F2 Q941PFA
Copyright by ZHAOFLON. All rights Reserved.     ZHE ICP NO. 05009712
Tel:0086-577-85255928 (speak English)     FAX:0086-577-86130501
Email:biz@zhaoflon.com (this email use English)     http://www.zhaoflon.com
Add:21 KangHong West Road, SanXi Industrial Zone, OuHai, WenZhou, P.R.China      PC:325016